数电
1、进制
1.1、二转十进制

1.2、十转二进制
1.3、十六进制与二进制

1.4、八进制与二进制

1.5、无符号二进制运算
减法

乘除法

1.6、带符号二进制运算
- 符号表示:


1.7、补码
- 公式:

例题:


原码、反码、补码

补码计算

1.8、有权码、无权码
有权码:8421BCD码

无权码:格雷码
1.9、格雷码与二进制的转换


2、逻辑代数
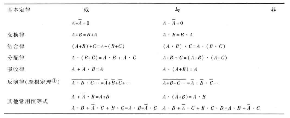
2.1、基本定律



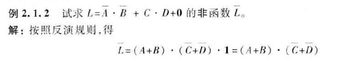
2.2、反演律

求非函数


2.3、对偶规则

例题

2.4、最小项

2.5、最大项
最大项与最小项为非关系

例题

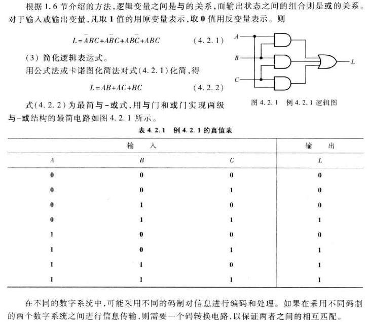
2.6、逻辑表达式

2.7、代数化简法
2.8、逻辑函数形式变换
例题1

例题2(利用摩根公式可以将或变非、非变或)

2.9、卡诺图化简法
3、逻辑门电路
3.1、CMOS基本逻辑门电路
符号
- N沟道增强型

- N沟道耗尽型

输出特性

CMOS反相器

CMOS与非门


CMOS或非门


CMOS异或门

CMOS传输门


CMOS传输门的应用
- CMOS传输门除了作为传输模拟信号的开关外,由于它的传输延迟时间短、结构简单,也作为基本单元电路,用于构成各种逻辑电路,如数据选择/分配器、触发器等。

3.2、CMOS逻辑门的保护和缓冲电路

保护电路

反相缓冲电路


3.3、CMOS漏极开路门OD




上拉电阻的计算

三态门
当连通时可以传送“0”或“1”,断开时对信号线上的信息不产生影响,就需要一个特殊的电路加以控制,此电路即为三态输出电路,又称为三态门。
即具有使能端的电路元件。
3.4、CMOS逻辑门电路的重要技术参数
输入和输出的高低电平

噪声容限

高电平的噪声容限
输出高电平最小 - 输入高电平最小

低电平的噪声容限
输入低电平最大 - 输出低电平最大

例题1

例题2

功耗
静态功耗
所谓静态功耗是指电路输出没有状态转换时的功耗。静态时,CMOS电路的电流非常小,使得静态功耗非常低,所以CMOS电路广泛应用于要求功耗较低或电池供电的设备,如便携计算机、手机和掌上电脑等。这些设备在没有输入信号时,功耗非常低。
动态功耗
CMOS电路在输出发生状态转换时的功耗称为动态功耗。


扇入扇出数



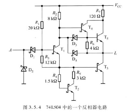
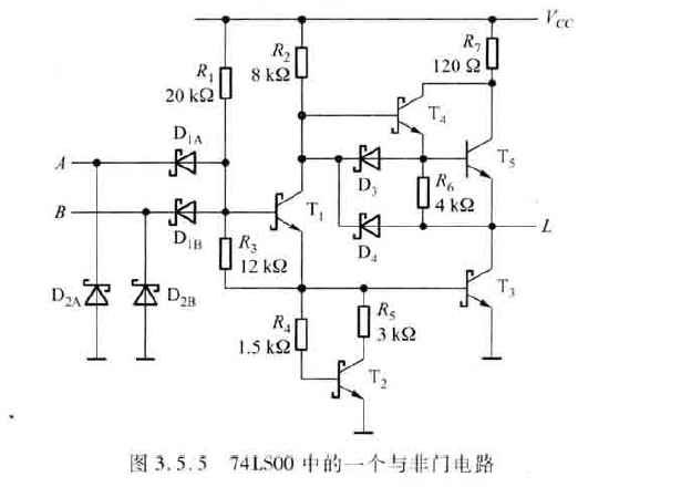
3.5、TTL逻辑门电路
TTL反相器


与非门

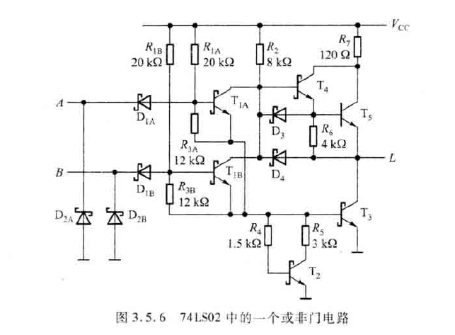
或非门电路

3.6、基本逻辑门电路的等效
利用摩根定律变换




3.7、电路抗干扰措施

3.8、线与逻辑(AND)
线与逻辑,即两个输出端(包括两个以上)直接互连就可以实现“AND”的逻辑功能。在总线传输等实际应用中需要多个门的输出端并联连接使用,而一般TTL门输出端并不能直接并接使用,否则这些门的输出管之间由于低阻抗形成很大的短路电流(灌电流),而烧坏器件。在硬件上,可用集电极开路门(OC门)或三态门(TS门)来实现。用OC门实现线与,应同时在输出端口加一个上拉电阻。
4、组合逻辑电路
4.1、组合逻辑电路的分析
一般步骤:
- 写出输出端的逻辑表达式并化简
- 列真值表
- 确定逻辑功能
求反码电路




4.2、组合逻辑电路的设计
一般步骤:
- 明确逻辑功能,列出真值表
- 根据真值表写出逻辑表达式并化简
- 画出电路图
设计电路1


设计电路2



4.3、组合逻辑电路的优化
单输出电路

多输出电路

多级逻辑电路
提取公因子


函数分解



4.4、组合逻辑电路中的竞争-冒险
竞争:输入端信号同时向相反方向变化
冒险:互补信号相乘或相加
产生的原因



消除竞争-冒险的方法
发现并消除互补相乘项


增加相乘项以避免互补项相加

输出端并联电容器

4.5、典型的组合逻辑电路
编码器

普通编码器(4线-2线编码器)


优先编码器(4线-2线优先编码器)


例题


译码器

2线-4线译码器

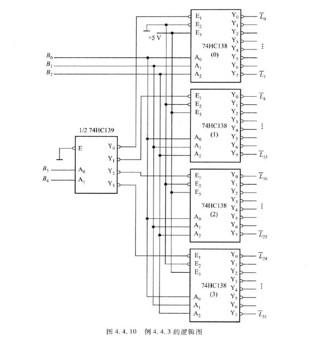
3线-8线译码器


例题


例题2


二 - 十进制译码器



七段显示译码器




数据选择器
二选一数据选择器

四选一数据选择器

例题




集成数据选择器

数据比较器
一位数据比较器

两位数据比较器


典型数据比较器
4位数据比较器





算术运算电路
半加器
只考虑两个加数本身,而不考虑低位进位的运算,称为半加。

全加器
全加器能进行被加数、加数和来自低位的进位信号相加,并根据求和结果给出该位的进位信号。


多位数加法器
串行加法器

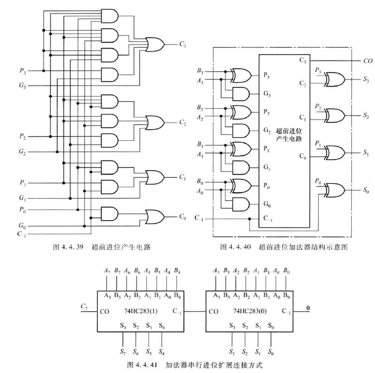
超前进位加法器

减法运算
利用第一章学的补码,讲减法运算转换成补码的加法运算,先对减数求反再加一

- A-B > 0


A-B < 0

减法运算逻辑图

5、锁存器和触发器
5.1、基本双稳态电路


5.2、SR锁存器
基本SR锁存器(电路中S对应Q非)






用与非门构成的SR锁存器(S非对应Q)


基本SR锁存器的应用


门控锁存器



5.3、D锁存器

传输门控D锁存器

逻辑门控D锁存器

典型的D锁存器集成电路

5.4、触发器


5.5、D触发器
特性表

特性方程

5.6、JK触发器
特性表

特性方程

总结

5.7、T触发器
T = 0 保持
T = 1 翻转
特性表

特性方程

T‘ 触发器(T恒为1)

5.8、SR触发器

- S = 0,R = 0 时,Qn+1 = Qn(保持)
- S = 0,R = 1 时,Qn+1 =0
- S = 1,R = 0 时,Qn+1 = 1
- S = 1,R = 1 时,Qn+1 不确定
5.9、D触发器的转换
D触发器构成JK触发器

D触发器构成T触发器

6、时序逻辑电路
电路状态:
- 有效状态:被利用了的状态
- 有效循环:有效状态构成的循环
- 无效状态:没有被利用的状态
- 无效循环:无效状态构成的循环
- 能自启动:无效状态没有构成循环
- 不能自启动:无效状态构成循环
6.1、时序逻辑电路的基本结构
基本结构
激励方程、转换方程、输出方程
异步同步时序电路
- 异步:电路中触发器的时钟输入端没有连接在统一的时钟脉冲上,或电路中没有时钟脉冲(如SR锁存器构成的时序电路),从而电路中各存储单元的状态更新不是同时发生的。
- 同步:存储电路状态的转换是在同一时钟脉冲源的同一边沿作用下同步动作的。
米利型和穆尔型时序电路
米利型

穆尔型


时序逻辑电路功能的表达
功能可用逻辑方程组、转换表、状态表、状态图和时序图等形式表达

逻辑方程组
激励方程组

转换方程组

输出方程

上述三组方程中,激励方程组合输出方程组表达了时序电路中全部组合电路的特性,而转换方程组则表达了存储电路从现态到次态的状态转换特性。
转换表
- 真值表

- 转换表

状态表

状态图

时序图

6.2、同步时序逻辑电路的分析
一般步骤:
- 根据电路列出三个方程组
- 激励方程组
- 转换方程组
- 输出方程
- 列出转换表
- 画出状态图
- 画出时序图
- 逻辑功能分析
分析例题



例题2


6.3、同步时序逻辑电路的设计
一般步骤:
- 列出转换表
- 确定激励方程组
- 画出逻辑图
- 检查自启动
- 画出状态图
方法二:
- 画出状态转换卡诺图
- 利用无关项求出最简转换方程
- 转换方程配项,求出激励方程
- 画出逻辑电路图
一般步骤

电路设计例题1



例题2

例题3

同步时序逻辑电路的时钟偏移

6.4、异步时序逻辑电路的分析
一般步骤:
- 列出各逻辑方程组
- 时钟方程组
- 激励方程组
- 转换方程组
- 输出方程
- 列出真值表
- 画出状态图(和时序图)
- 逻辑功能分析
例题分析


例题分析2



6.5、寄存器
- 八位寄存器


移位寄存器


6.6、计数器
同步计数器的工作速度一般高于异步计数器
4位异步计数器

转换表

递减计数器


异步清零和同步置数
异步清零速度比同步置数速度快,即清零信号有效时,无视触发脉冲,立即清零;
同步是时钟触发条件满足时检测清零信号是否有效,有效则在下一个时间周期的触发条件下,执行清零。
在九计数器中的不同使用
使用异步清零(速度快)

使用同步置数

7、半导体存储器
目前,半导体存储器基本上可以分为两大类。
- 只读存储器ROM
- 随机存取存储器RAM,又称为读写存储器。
7.1、ROM只读存储器
ROM是一种永久性数据存储器,其中的数据一般由专用的装置写入,数据一旦写入,不能随意改写,在切断电源之后,数据也不会消失。
结构示意图



可编程ROM

ROM应用实例
二进制与格雷码的相互转换


7.2、SRAM随机存取存储器
SRAM基本结构和输出


SRAM存储单元
SRAM与ROM最主要的差别就是存储单元。SRAM的存储单元是由锁存器构成的,属于时序逻辑电路。
SRAM中数据由锁存器记忆,只要不断电,数据就能永久保存。

读写操作及顶视图
- 读操作



- 写操作


同步SRAM


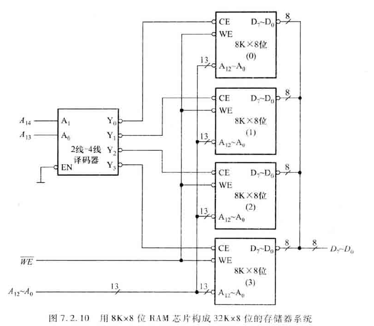
7.3、存储容量的扩展
字长(位数)的扩展

字数的扩展
利用2线 - 4线译码器将4个8K x 8位的RAM芯片扩展为32K x 8位的存储系统,每次只有一个被选择。

7.4、RAM应用举例



7.5、例题分析
例题1
进行位(字数)扩展:输入端增加

例题2
进行容量(字节)扩展:将输出端连接起来,但需要进行控制使能端C,一次只能一片使能。

例题3

8、脉冲波形的变换与产生
8.1、单稳态触发器
用门电路组成的单稳态触发器

主要参数的计算
输出脉冲宽度

恢复时间

最高工作频率

集成单稳态触发器
前触发沿和后触发沿

可重复触发:在暂稳态(触发状态)期间,如有脉冲加入,电路会被输入脉冲重复触发,暂稳态将延长,在最后一个脉冲的触发沿在延时t 时间。
不可重复触发:在暂稳态期间,如有触发脉冲加入,电路的输出脉宽不受其影响,仍由R、C参数值确定。
不可重复触发的集成单稳态触发器



单稳态触发器的应用
定时

延时

噪声消除电路

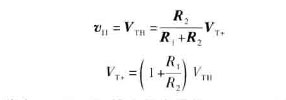
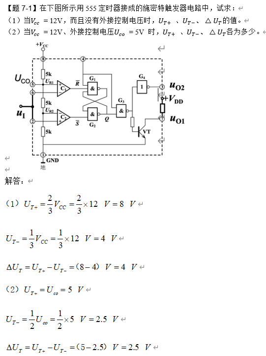
8.2、施密特触发器
施密特触发器常用于波形变换、幅度鉴别等,当输入信号到达某一电压值时,输出电压会发生跳变。
可分为同相输出和反向输出。


用门电路组成的施密特触发器

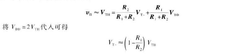
正向阈值电压

反向阈值电压

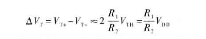
回差电压

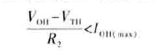
最大允许电流值

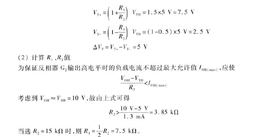
例题分析


例题2

集成施密特触发器

施密特触发器的应用
波形变换

整形与抗干扰

幅值鉴别

8.3、多谐振荡电路
多谐振荡电路是一种自激振荡电路,不需要外加触发信号就能自行产生一定频率和幅值的矩形波,也被称为多谐振荡器。
由于工作过程没有稳定状态,所以也被称为无稳态电路。
门电路组成的多谐振荡器

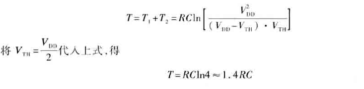
- 振荡周期的计算

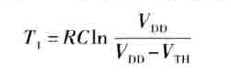
T1的计算:

T2的计算:

总周期T的计算:

用施密特触发器构成多谐振荡器

振荡周期的计算

例题分析


石英晶体多谐震荡器
石英晶体振荡器的振荡频率不仅频率稳定度极高,而且频率的范围也很宽,它的频率范围可从几百赫兹到几百兆赫兹。

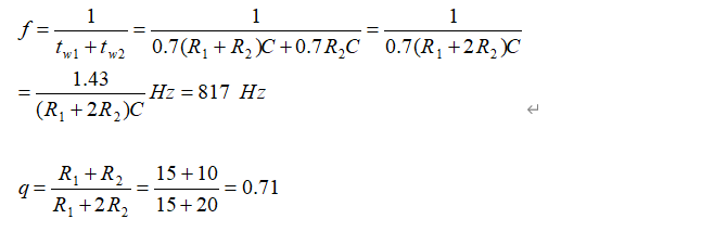
8.4、555定时器及其应用
555定时器是一种模、数混合的中规模集成电路,它使用方便、灵活,应用极为广泛。可用它很方便地组成脉冲的产生、整形、延时和定时电路。
三种类型的区别:
- 单稳态触发器:t = 1.1RC、可以放电到0
- 多谐震荡电路:充电t = 0.7(R1 + R2)C 、放电t = 0.7R2C
- 占空比可调多谐震荡:充电t = 0.7RaC、 放电t = 0.7RbC
电路结构
利用了SR锁存器(用与非门组成),以及电压比较器。


电路功能表

用555定时器组成的施密特触发器
v1从0开始增加


用555组成的单稳态触发器


例题


用555组成的多谐振荡电路


例题


占空比可调的多谐震荡电路

例题

9、数模与模数转换器
9.1、D/A数模转换器
倒T形电阻网络D/A转换器(需要考虑Rf 是否和 R相同)
电压公式:下图四个部分,所以是2^4



权电阻网络D/A转换器
输出电压:(不需要考虑Rf)

权电流网络D/A转换器
输出电压:(与倒T的区别在于为正数)

原理电路

9.2、主要参数
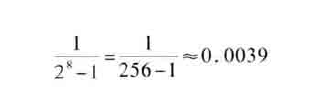
分辨率
输出电压增量VLSB


例题

比例系数误差

转换误差
常用电压满刻度FSR的百分数表示,也可以用最低有效位的倍数表示。
例如:转换误差1/2LSB表示为最小输出电压的一半。
转换速度
T = t(建立时间) + U(max) / S(速度)
完成一次转换的时间为 = 建立时间 + 上升(下降)的时间
9.3、A/D模数转换器
并行比较型A/D转换器
计算输入电压 所处在的区间即可,数值大于0,1,3,5,7,9,11,13
分别对应十进制0,1,2,3,4,5,6,7
在转为二进制即可



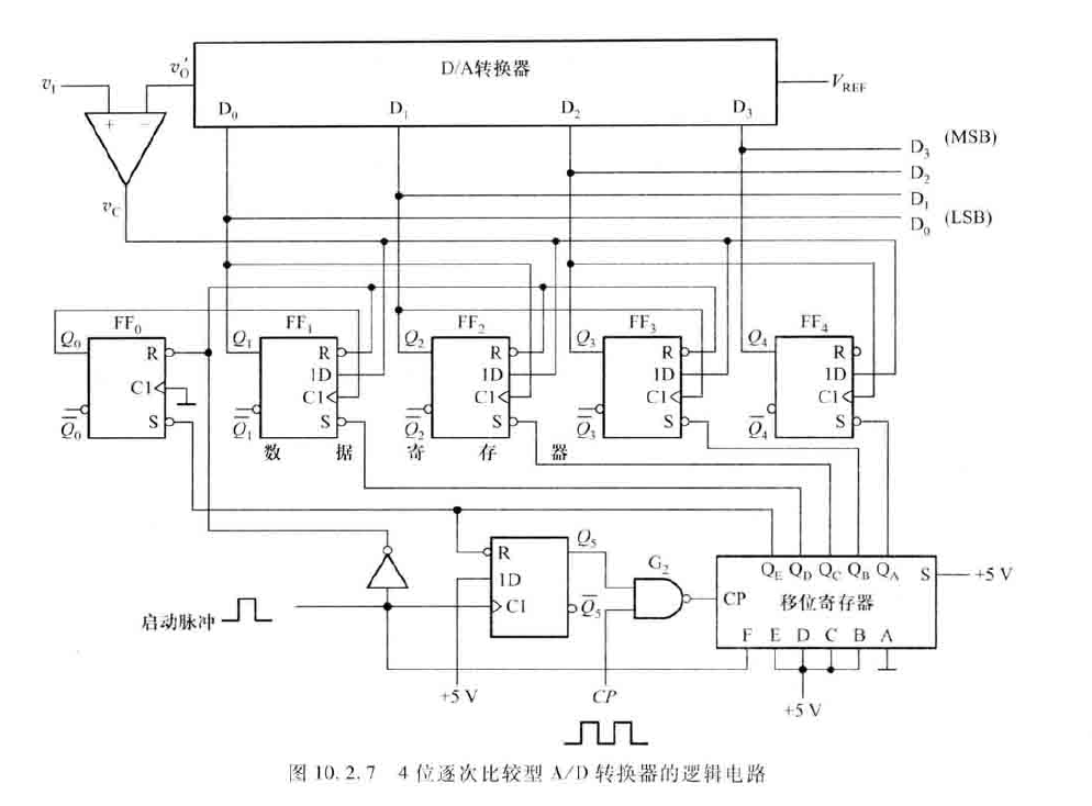
逐次比较型A/D转换器
完成一次转换所需时间与其位数n和时钟脉冲频率有关,位数越少,时钟频率越高,转换所需时间越短。这种转换器具有转换速度快、精度高的特点。
完成一次转换的时间:t = (n + 2)Tcp

双积分式A/D转换器
双积分式A/D转换器是一种间接A/D转换器。采用对输入模拟电压和参考电压分别进行两次积分,将输入电压平均值变换成与之成正比的时间间隔,然后利用时钟脉冲和计数器测出此时间间隔,进而输出端得到与模拟量相应的数字量。
最大转换时间为:


- 本文链接:https://lxjblog.gitee.io/2020/08/02/%E6%95%B0%E7%94%B5/
- 版权声明:本博客所有文章除特别声明外,均默认采用 许可协议。




,即要比
小,所以需要精确到小数点后10位。









